Schaltpläne
ORCAD (D.Schmidt)

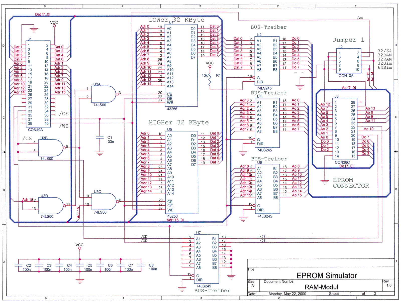
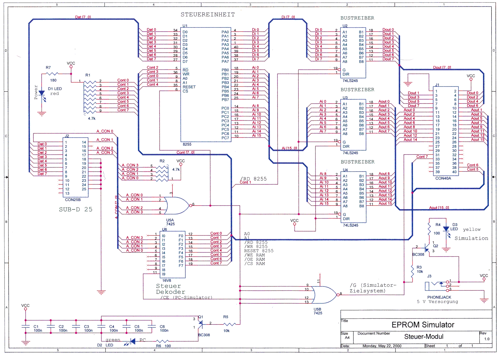
Aufgabe : Erstellen eines Leiterplattenlayout's mit Hilfe des Programms ORCAD Unsere Projektarbeit wird zwei PLatinen umfassen, ein Steuermodul ( 8255 und div.74LS245) und ein RAM-Modul mit den S-RAMS (2*32k) und den 74LS245 Richtung Zielsystem. Erstellt unter ORCAD 9 von Detlef Schmidt.

RAM-Modul:

RAM-Modul (229 kB)

Steuer-Modul

Steuer-Modul (107 kB)